Startseite » Saunatechnik » Steuerungen » Saunasteuergerät Nachfolgemodell für Nordia N2, mit Zeitvorwahl
Saunasteuergerät Nachfolgemodell für Nordia N2, mit Zeitvorwahl
NEU
externes, robustes Saunasteuergerät Nachfolgemodell für Nordia N1a oder A1 Ondalstyle, O-A1-9
neue, verbesserte Elektronik mit aktuellen Sicherheitsstandards. Digitales Display und Zeitvorwahl (15 Minuten Takt).
Wenn Geräte ersetzt werden sollen, ist es von Vorteil, dieses Nachfolgemodell zu verwenden, das sich die Fühlerposition und die Kabeldurchführungen sich an der gleichen Stelle befinden und die Bedienung identisch ist. Somit ist ein schneller Austausch gewährleistet.
neue, verbesserte Elektronik mit aktuellen Sicherheitsstandards. Digitales Display und Zeitvorwahl (15 Minuten Takt).
Wenn Geräte ersetzt werden sollen, ist es von Vorteil, dieses Nachfolgemodell zu verwenden, das sich die Fühlerposition und die Kabeldurchführungen sich an der gleichen Stelle befinden und die Bedienung identisch ist. Somit ist ein schneller Austausch gewährleistet.
- einfachste Bedienung
- Stufenlose Temperaturwahl 40° bis 125 ° C
- digitales Display
- Zeitvorwahl (15 Minuten Takt)
- Kontrollleuchte für Betrieb
- Abschaltautomatik 6 h
- inkl. Temperatur- und Sicherheitsfühler inkl. Kabel
- Kabinenlicht an/aus, Anschluß bis 100 Watt möglich
- Schaltleistung bis 9 kW
- Lichtanschluss bis 100 W
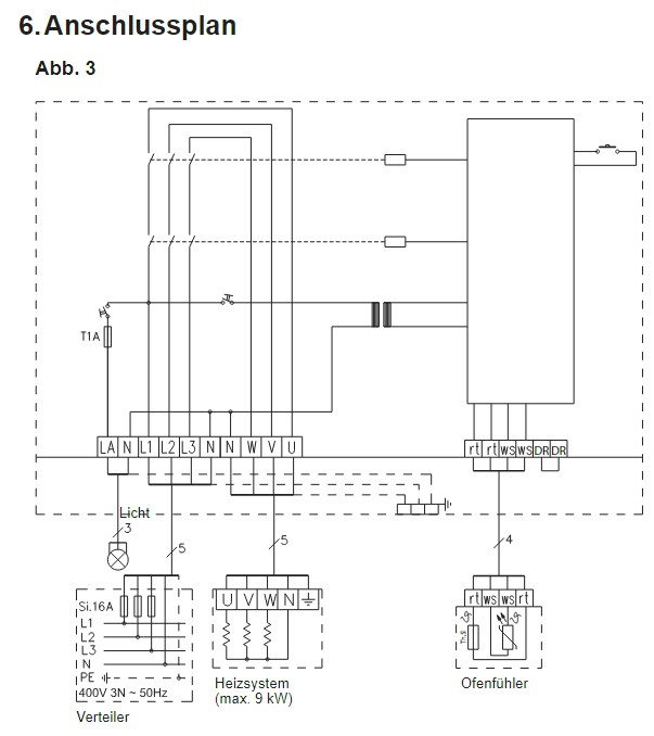
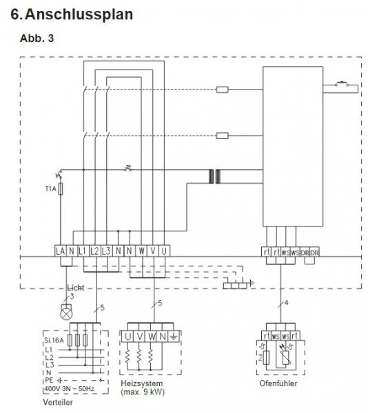
- Anschluss 400 V 3N AC 50 Hz
Sie können damit Saunaheizgeräte mit einer Leistung von 4,5 bis 9 kW steuern.
Maße: 238 x 195 x 90 mm (BHT)
Versorgungsleitung: min. 5 x 2,5 mm²
Ofenleitung (temperaturbeständig bis 150 °C): min. 2,5 mm²
Fühlerkabel (temperaturbeständig bis 150 °C beiliegend): min. 0,5 mm²
Lichtkabel: min. 1,5 mm²
Harvia Austria
Wartenburger Straße 31
4840 Vöcklabruck
AUSTRIA
www.harvia.com
Wartenburger Straße 31
4840 Vöcklabruck
AUSTRIA
www.harvia.com
